Ваш город:
Сыктывкар
Ваш город Сыктывкар?
Да Выбрать другой
Заказать звонок
Фильтр

Планетарно-червячные редукторы ПЧ2-100/200, ПЧ2-125/250, ПЧ2-160/320, ПЧ2-200/400

Описание

iN n1 n2 ПЧ2-100/200 ПЧ2-125/250 ПЧ2-160/320 ПЧ2-200/400
Р1 Т2 η Р1 Т2 η Р1 Т2 η Р1 Т2 η
мин-1 кВт Н.м кВт Н.м кВт Н.м кВт Н.м
250 (4х8х8) 1500 6 4,5 5069 0,69 7,3 8593 0,72 12,4 15187 0,75 20,3 25433 0,77
1000 4 3,2 5155 0,67 5,1 8913 0,71 8,9 15827 0,73 14,2 25967 0,75
750 3 2,5 5197 0,65 4 9073 0,7 7 16147 0,71 10,9 26233 0,74
315 (5х8х8) 1500 4,76 3,7 5117 0,68 6,1 8773 0,71 10,3 15547 0,74 16,6 25733 0,76
1000 3,17 2,5 5187 0,67 4,3 9033 0,69 7,3 16067 0,72 11,6 26167 0,74
750 2,38 1,9 5219 0,66 3,3 9153 0,68 5,6 16367 0,71 8,9 26367 0,73
400 (6,3х8х8) 1500 3,75 3 5160 0,67 5 8933 0,7 8,5 15867 0,73 13,5 26000 0,75
1000 2,5 2,1 5213 0,66 3,4 9133 0,69 5,9 16267 0,72 9,2 26333 0,74
750 1,88 1,6 5240 0,64 2,6 9233 0,68 4,5 16467 0,71 7,1 26500 0,73
500 (4х8х16) 1500 3 2,8 5971 0,66 4,5 9927 0,68 7,4 17373 0,72 12,9 31140 0,74
1000 2 2 6099 0,64 3,1 10247 0,67 5,4 18653 0,71 9,2 32953 0,73
750 1,5 1,5 6163 0,63 2,4 10407 0,66 4,2 19293 0,7 7,3 33860 0,71
630 (5х8х16) 1500 2,38 2,3 6043 0,65 3,7 10107 0,67 6,3 18093 0,7 11 32160 0,72
1000 1,59 1,6 6147 0,64 2,6 10367 0,66 4,5 19133 0,69 7,8 33633 0,71
750 1,19 1,2 6195 0,62 2 10487 0,65 3,5 19613 0,68 6 34313 0,7
800 (6,3х8х16) 1500 1,88 1,9 6107 0,64 3,1 10267 0,65 5,3 18733 0,69 9,1 33067 0,71
1000 1,25 1,3 6187 0,63 2,2 10467 0,63 3,7 19533 0,68 6,3 34200 0,7
750 0,94 1 6227 0,62 1,7 10567 0,62 2,9 19933 0,66 5 34767 0,68
1000 (8х8х16) 1500 1,5 1,5 6163 0,63 2,5 10470 0,64 4,4 19293 0,67 7,6 33860 0,68
1000 1 1 6219 0,62 1,7 10547 0,63 3,1 19853 0,66 5,3 34653 0,67
750 0,75 0,8 6251 0,61 1,3 10627 0,61 2,4 20173 0,65 4,1 35107 0,66
1250 (5х16х16) 1500 1,2 1,2 6195 0,62 2 10487 0,63 3,7 19613 0,66 6,3 34313 0,67
1000 0,8 0,9 6243 0,6 1,4 10607 0,62 2,6 20093 0,64 4,4 34993 0,65
750 0,6 0,7 6275 0,59 1,1 10687 0,61 2 20413 0,63 3,4 35447 0,64
1600 (6,3х16х16) 1500 0,94 0,9 6227 0,61 1,7 10567 0,62 3 19933 0,65 5,1 34767 0,66
1000 0,63 0,7 6267 0,6 1,1 10667 0,61 2,1 20333 0,64 3,5 35333 0,65
750 0,47 0,5 6291 0,59 0,9 10727 0,6 1,6 20573 0,63 2,7 35673 0,64
2000 (4х16х31,5) 1500 0,75 0,9 6545 0,58 1,5 11567 0,6 2,5 20540 0,63 4,3 35020 0,64
1000 0,5 0,6 6611 0,57 1 11800 0,59 1,8 21145 0,62 3 35907 0,62
750 0,38 0,5 6648 0,56 0,8 11933 0,58 1,4 21493 0,6 2,3 36413 0,61
2500 (5х16х31,5) 1500 0,6 0,7 6583 0,57 1,3 11700 0,58 2,1 20887 0,61 3,6 35527 0,62
1000 0,4 0,5 6639 0,56 0,9 11900 0,57 1,5 21407 0,6 2,5 36287 0,61
750 0,3 0,4 6676 0,55 0,7 12033 0,56 1,2 21753 0,59 1,9 36793 0,6
3150 (6,3х16х31,5) 1500 0,48 0,6 6620 0,55 1 11833 0,57 1,8 21233 0,6 2,9 36033 0,61
1000 0,32 0,4 6667 0,54 0,7 12000 0,56 1,2 21667 0,59 2 36667 0,6
750 0,24 0,3 6695 0,53 0,5 12100 0,55 0,9 21927 0,58 1,6 37047 0,59
4000 (8х16х31,5) 1500 0,38 0,5 6648 0,53 0,9 11933 0,55 1,4 21493 0,58 2,4 36413 0,6
1000 0,25 0,3 6685 0,52 0,6 12067 0,54 1 21840 0,57 1,6 36920 0,59
750 0,19 0,3 6704 0,51 0,5 12133 0,53 0,8 22013 0,56 1,3 37173 0,58
5000 (5х31,5х31,5) 1500 0,3 0,4 6667 0,52 0,7 12000 0,53 1,3 21667 0,54 2 36667 0,58
1000 0,2 0,3 6704 0,51 0,5 12133 0,52 0,9 22013 0,54 1,4 37173 0,56
750 0,15 0,2 6713 0,5 0,4 12167 0,51 0,7 22100 0,53 1,1 37300 0,55
6300 (6,3х31,5х31,5) 1500 0,24 0,3 6685 0,51 0,6 12067 0,52 1 21840 0,53 1,7 36920 0,56
1000 0,16 0,2 6713 0,5 0,4 12167 0,51 0,7 22100 0,52 1,1 37300 0,55
750 0,12 0,2 6723 0,49 0,3 12200 0,5 0,6 22187 0,51 0,9 37427 0,53
8000 (8х31,5х31,5) 1500 0,19 0,3 6704 0,5 0,5 12133 0,51 0,8 22013 0,52 1,4 37173 0,54
1000 0,13 0,2 6723 0,49 0,3 12200 0,5 0,6 22187 0,51 0,9 37427 0,53
750 0,09 0,1 6732 0,48 0,3 12233 0,49 0,4 22273 0,51 0,7 37553 0,52
10000 (8х40х31,5) 1500 0,15 0,2 6713 0,49 0,4 12167 0,5 0,7 22100 0,5 1,1 37300 0,53
1000 0,1 0,2 6732 0,48 0,3 12233 0,49 0,5 22273 0,5 0,8 37553 0,52
750 0,08 0,1 6741 0,47 0,2 12267 0,48 0,4 22360 0,49 0,6 37680 0,51
12500 (8х50х31,5) 1500 0,12 0,2 6723 0,48 0,3 12200 0,49 0,6 22187 0,5 0,9 37427 0,51
1000 0,08 0,1 6732 0,47 0,2 12233 0,48 0,4 22273 0,49 0,6 37553 0,5
750 0,06 0,1 6741 0,46 0,2 12267 0,47 0,3 22360 0,48 0,5 37680 0,5
16000 (4x8х16х31,5) 1500 0,094 0,1 6733 0,46 0,5 12236 0,47 0,5 22279 0,48 0,7 37609 0,49
1000 0,063 0,1 6742 0,45 0,3 12268 0,46 0,3 22364 0,47 0,5 37740 0,48
750 0,047 0,1 6746 0,44 0,2 12285 0,45 0,2 22406 0,46 0,4 37805 0,47
20000 (5x8х16х31,5) 1500 0,075 0,1 6738 0,45 0,4 12255 0,46 0,4 22330 0,47 0,6 37687 0,48
1000 0,05 0,1 6745 0,44 0,3 12281 0,45 0,3 22398 0,46 0,4 37792 0,47
750 0,038 0,1 6749 0,43 0,2 12294 0,44 0,2 22432 0,45 0,3 37844 0,46
25000 (6,3x8х16х31,5) 1500 0,06 0,1 6743 0,44 0,3 12271 0,45 0,3 22372 0,46 0,5 37752 0,47
1000 0,04 0,1 6748 0,43 0,2 12292 0,44 0,2 22426 0,45 0,3 37835 0,46
750 0,03 0,1 6751 0,42 0,2 12302 0,43 0,2 22453 0,44 0,3 37876 0,45
31500 (8x8х16х31,5) 1500 0,048 0,1 6746 0,43 0,2 12285 0,44 0,2 22406 0,45 0,4 37805 0,46
1000 0,032 0,1 6751 0,42 0,2 12301 0,43 0,2 22449 0,44 0,3 37870 0,45
750 0,024 0,04 6753 0,41 0,1 12309 0,42 0,1 22470 0,43 0,2 37902 0,44
40000 (5x8х31,5х31,5) 1500 0,038 0,1 6749 0,42 0,2 12294 0,43 0,2 22430 0,44 0,3 37841 0,45
1000 0,025 0,04 6753 0,41 0,1 12307 0,42 0,1 22465 0,43 0,2 37894 0,44
750 0,019 0,03 6754 0,4 0,1 12314 0,41 0,1 22482 0,42 0,2 37921 0,43
63500 (8x8х31,5х31,5) 1500 0,024 0,04 6753 0,41 0,1 12309 0,42 0,1 22469 0,43 0,2 37901 0,44
1000 0,016 0,03 6755 0,4 0,1 12317 0,41 0,1 22490 0,42 0,1 37934 0,43
750 0,012 0,02 6757 0,39 0,1 12321 0,4 0,1 22501 0,41 0,1 37950 0,42

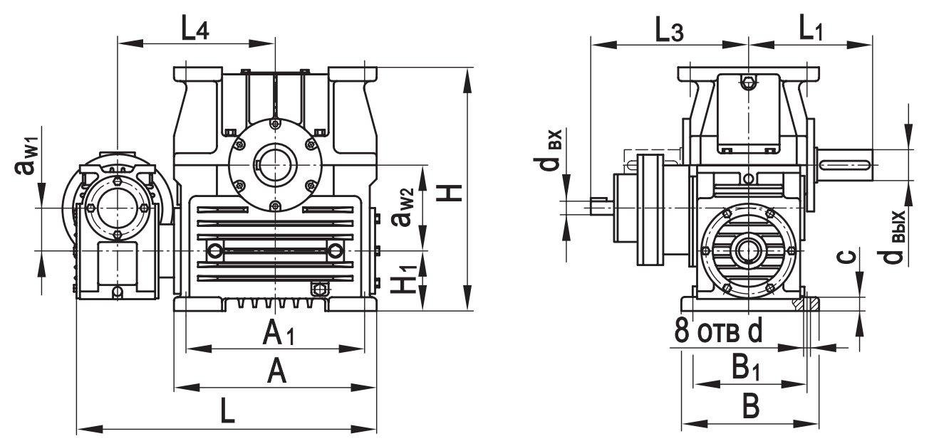
Габаритные размеры редуктора на лапах

Типоразмер аW1 аW2 А А1 В В1 L* L1* L2max L3* L4 Н Н1 с d dвх dвых
ПЧ2­-100/200 100 200 475 420 330 275 700 340 939
1017
380
458
365 595 160 32 24 32 80
ПЧ2­-125/250 125 250 590 520 410 340 860 365 1053
1163
480
590
465 710 175 40 28 32 90
ПЧ2­-160/320 160 320 695 560 485 405 1145 460 1183
1252
520
625
550 890 215 65 34 40 120
ПЧ2-200/400 200 400 940 840 600 500 1360 580 1537
1635
550,5
648
650 1100 260 70 39 45 160

* Размеры приведены без учёта длины резьбового конца вала исполнения К2. 

 

Габаритные размеры редуктора на фланце

Типоразмер аW1 аW2 D D1 D2 H L* L1 L2max L3 L4 L8 с1 с2 d1 dвх dвых n
ПЧ2Ф­-100/200 100 200 530 410 470 595 700 340 939
1017
380
458
365 380 30 5 24 32 80 8
ПЧ2Ф­-125/250 125 250 660 515 585 710 860 365 1053
1163
480
590
465 431 35 6 28 32 90 8
ПЧ2Ф­-160/320 160 320 840 660 750 890 1145 460 1183
1252
520
625
550 541 40 6 30 40 120 8
ПЧ2Ф­-200/400 200 400 1050 820 940 1100 1360 580 1537
1635
550,5
648
650 711 45 6 33 45 160 8

* Размеры приведены без учёта длины резьбового конца вала исполнения К2. 

Назад
Выбор города